
The Fanuc R-1000/80F is a newer R series robot that runs on the Fanuc R30iB controller, This compact material handling arm features a generous payload capacity of 80kg and a large working envelope. The Fanuc R-1000iA 80F R30iA is versatile enough for both floor and inverted mounting. Every component in the R-1000iA Series has been purpose built to deliver maximum speed and reliability. A small footprint and space-saving design allows closer positioning between adjacent robots in compact cells.
Axes: 6
Payload: 80kg
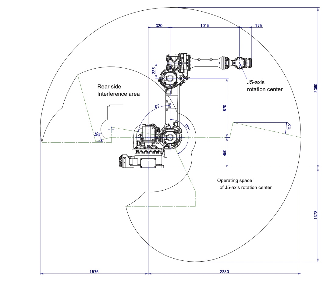
H-Reach: 2230mm
Repeatability: ±0.2mm
Robot Mass: 620kg
Structure: Articulated
Mounting: Floor, Inverted
J1 170 °/s (2.97 rad/s)
J2 140 °/s (2.44 rad/s)
J3 160 °/s (2.79 rad/s)
J4 230 °/s (4.01 rad/s)
J5 230 °/s (4.01 rad/s)
J6 350 °/s (6.11 rad/s)
J1 ±360°
J2 ±245°
J3 ±360°
J4 ±720°
J5 ±250°
J6 ±720°
Material Handling Robots
Fiberglass Cutting Robots
Resistance Welding Robots
Spot Welding Robots
Palletizing Robots

Fanuc America Robotics are one of the premiere global robot brands. They build absolutely fantastic products and are by far the number one selling robot brand in the United States. If you allow us to re-register your software with Fanuc you will get 24-7 technical support from their expert staff. We will register the robot in your companies name, so when you reach out to Fanuc for support and provide them with your robots F number they will know who you are, and the robot your calling about.
CALL AN R.A.B. INDUSTRIES, INC REPRESENATIVE (586)752-0090 FOR ALL YOUR ROBOTICS AND AUTOMATION NEEDS. RAB BUYS FANUC ROBOTS, KAWASAKI ROBOTS, ABB ROBOTS, MOTOMAN ROBOTS, KUKA ROBOTS, DENSO ROBOTS, UNIVERSAL ROBOTS AND ROBOT PARTS, ROBOT MRO, CONTROLLERS, CABLES, RVS, TEACH PENDANTS. WE ARE ROBOTIC AUTOMATION BULLS.