
The Fanuc M-410iC/315 robot is the latest version in the Fanuc line of Palletizing robots. At 315 kg capacity it's no light weight. The Robot runs on the Fanuc R30iB Controller. The Robot has the capability of stacking up to 2 meters high.
Axes: 4
Payload: 315kg
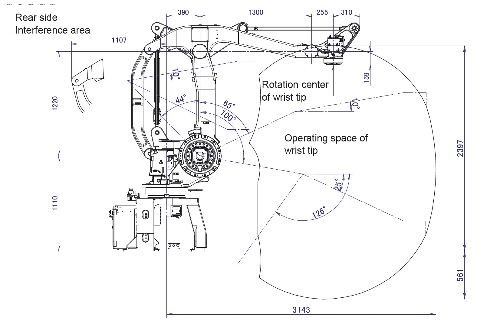
H-Reach: 3143mm
Repeatability: ±0.5mm
Robot Mass: 1600kg
Structure: Articulated
Mounting: Floor
J1 90 °/s (1.57 rad/s)
J2 100 °/s (1.75 rad/s)
J3 110 °/s (1.92 rad/s)
J4 195 °/s (3.4 rad/s)
J1 ±360°
J2 ±144°
J3 ±136°
J4 ±720°
Palletizing Robots
Material Handling Robots


Fanuc America Robotics are one of the premiere global robot brands. They build absolutely fantastic products and are by far the number one selling robot brand in the United States. If you allow us to re-register your software with Fanuc you will get 24-7 technical support from their expert staff. We will register the robot in your companies name, so when you reach out to Fanuc for support and provide them with your robots F number they will know who you are, and the robot your calling about.
CALL AN R.A.B. INDUSTRIES, INC REPRESENATIVE (586)752-0090 FOR ALL YOUR ROBOTICS AND AUTOMATION NEEDS. RAB BUYS FANUC ROBOTS, KAWASAKI ROBOTS, ABB ROBOTS, MOTOMAN ROBOTS, KUKA ROBOTS, DENSO ROBOTS, UNIVERSAL ROBOTS AND ROBOT PARTS, ROBOT MRO, CONTROLLERS, CABLES, RVS, TEACH PENDANTS. WE ARE ROBOTIC AUTOMATION BULLS.