
Payload 50kg
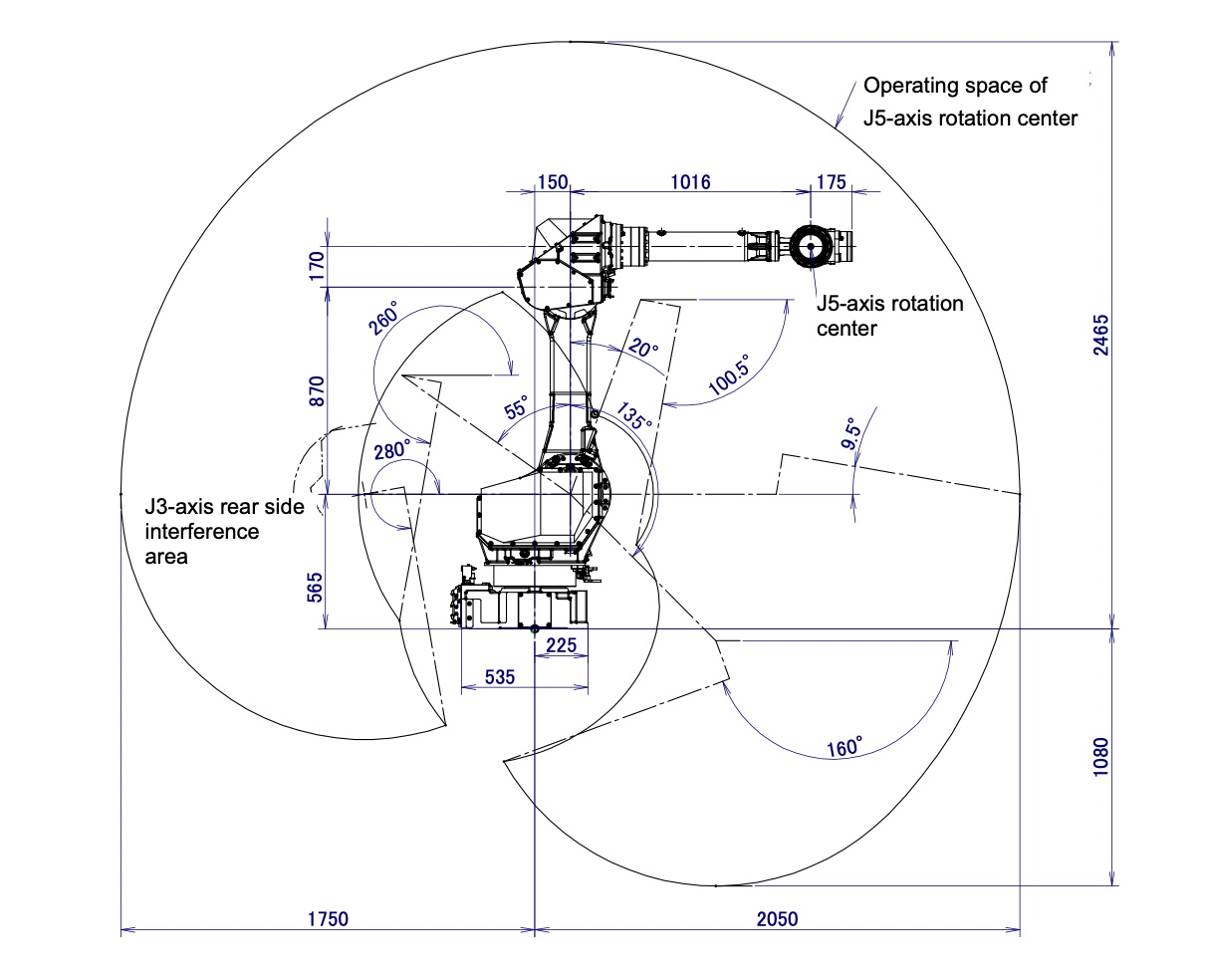
Reach 2050mm
We find the Fanuc M-710iC/50 robot to be one of the most sought after robots. It's a Fanuc intelligent robot. Depending on date of mfg., this model runs on the Fanuc R30iA or R30iB controls platform. They are a midsize robot with a robust array of applications they can be deployed for. Assembly, Arc Welding, dispensing, machine tending, palletizing and list goes on only limited to your imagination as to what you might deploy this robot to do in you operations.
Robot Specifications:
Axes: 6
Payload: 50kg
H-Reach: 2050mm
Repeatability: ±0.07mm
Robot Mass: 560kg
Structure: Articulated
Mounting: Floor, Inverted, Angle
Robot Motion Speed:
J1 175 °/s (3.05 rad/s)
J2 175 °/s (3.05 rad/s)
J3 175 °/s (3.05 rad/s)
J4 250 °/s (4.36 rad/s)
J5 250 °/s (4.36 rad/s)
J6 355 °/s (6.2 rad/s)
Robot Motion Range:
J1 ±360°
J2 ±225°
J3 ±440°
J4 ±720°
J5 ±250°
J6 ±720°
Applications:
Dispensing Robots
Machine Loading Robots
Material Handling Robots
Cutting Robots
Fiberglass Cutting Robots
Foundry Robots
Material Removal Robots
Meat Processing Automation Robots
Arc Welding Robots
Waterjet Robots

Fanuc America Robotics are one of the premiere global robot brands. They build absolutely fantastic products and are by far the number one selling robot brand in the United States. If you allow us to re-register your software with Fanuc you will get 24-7 technical support from their expert staff. We will register the robot in your companies name, so when you reach out to Fanuc for support and provide them with your robots F number they will know who you are, and the robot your calling about.
CALL AN R.A.B. INDUSTRIES, INC REPRESENATIVE (586)752-0090 FOR ALL YOUR ROBOTICS AND AUTOMATION NEEDS. RAB BUYS FANUC ROBOTS, KAWASAKI ROBOTS, ABB ROBOTS, MOTOMAN ROBOTS, KUKA ROBOTS, DENSO ROBOTS, UNIVERSAL ROBOTS AND ROBOT PARTS, ROBOT MRO, CONTROLLERS, CABLES, RVS, TEACH PENDANTS. WE ARE ROBOTIC AUTOMATION BULLS.
