
Prior to the introduction of the M-2000iA/2300, the M-2000iA/1200 was the strongest 6 axis robot on the market. But this powerful heavy-duty robot still has what it takes to satisfy all but the most very demanding of high-payload material handling applications. Power to the MAX! performing material handling applications in automotive and heavy machinery settings. Lifting and moving car chassis, tractor frames, and other heavy objects are no problem for this super-strong M 2000iA/1200 robot arm. Depending on date of manufacture this robot runs on the Fanuc R30iA or Fanuc R30iB Controller.
Robot Specifications:
Axes: 6
Payload: 1200kg
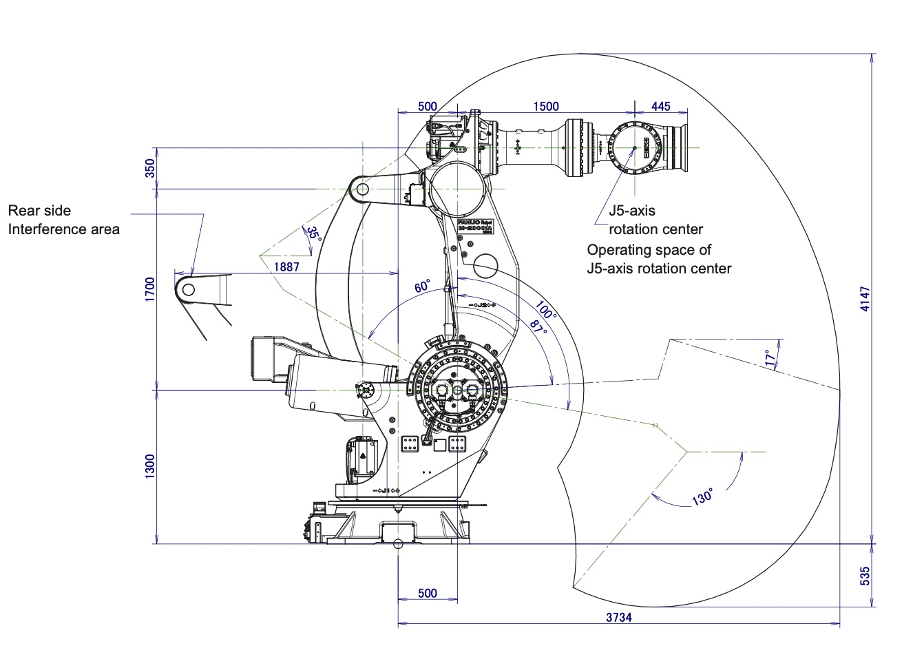
H-Reach: 3734mm
Repeatability: ±0.3mm
Robot Mass: 8600kg
Structure: Articulated
Mounting: Floor
Robot Motion Speed:
J1 45 °/s (0.79 rad/s)
J2 30 °/s (0.52 rad/s)
J3 30 °/s (0.52 rad/s)
J4 50 °/s (0.87 rad/s)
J5 50 °/s (0.87 rad/s)
J6 70 °/s (1.22 rad/s)
Robot Motion Range:
J1 ±330°
J2 ±160°
J3 ±165°
J4 ±720°
J5 ±240°
J6 ±720°
Applications:
Material Handling Robots
Palletizing Robots
Fiberglass Cutting Robots


Fanuc America Robotics are one of the premiere global robot brands. They build absolutely fantastic products and are by far the number one selling robot brand in the United States. If you allow us to re-register your software with Fanuc you will get 24-7 technical support from their expert staff. We will register the robot in your companies name, so when you reach out to Fanuc for support and provide them with your robots F number they will know who you are, and the robot your calling about.
CALL AN R.A.B. INDUSTRIES, INC REPRESENATIVE (586)752-0090 FOR ALL YOUR ROBOTICS AND AUTOMATION NEEDS. RAB BUYS FANUC ROBOTS, KAWASAKI ROBOTS, ABB ROBOTS, MOTOMAN ROBOTS, KUKA ROBOTS, DENSO ROBOTS, UNIVERSAL ROBOTS AND ROBOT PARTS, ROBOT MRO, CONTROLLERS, CABLES, RVS, TEACH PENDANTS. WE ARE ROBOTIC AUTOMATION BULLS.
