
With its 1.7 t payload capacity and 6.2 m stroke, it provides maximum flexibility on operations involving large and heavy objects. Capable of effortlessly lifting and positioning an entire car body within its generous work envelope, this robot has been designed to improve workflow, increase efficiency and to reduce your costs.
The Fanuc M-2000iA/1700L robot is one of the most powerful long reach robots in the world today. Like many Fanuc models, the M-2000iA/1700L uses the R-30iB controller. While the M-2000iA/1700L comes standard with a stackable, compact R-30iB A-cabinet, it is also available in the larger B-cabinet as well. Both controllers have the iPendant Touch, use less energy than previous controller models, and are able to help enhance the overall productivity of the robot system.
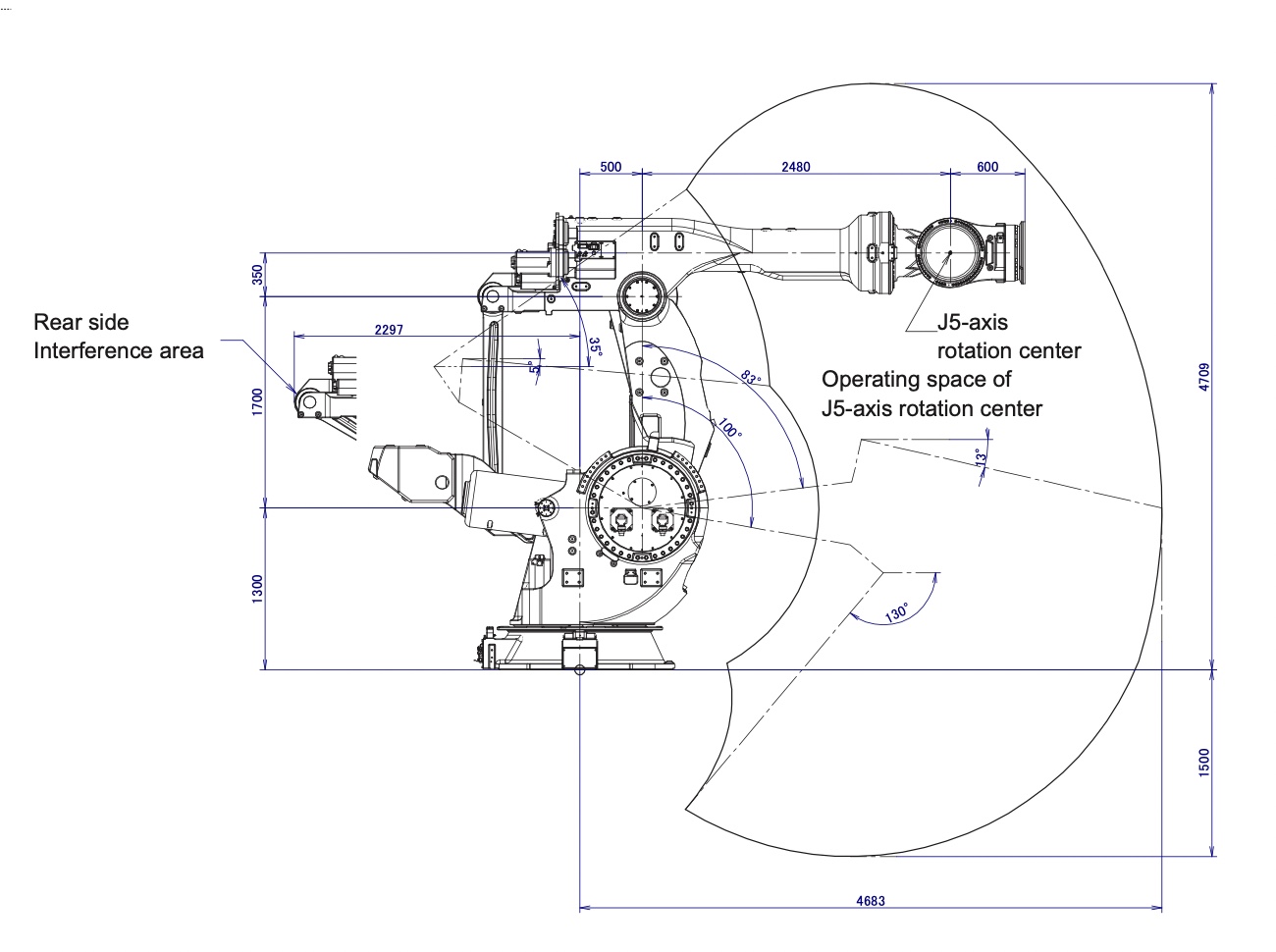
Robot Specifications:
Axes: 6
Payload: 1700kg
H-Reach: 4683mm
Repeatability: ±0.5mm
Robot Mass: 12500kg
Structure: Articulated
Mounting: Floor
Robot Motion Speed:
J1 20 °/s (0.35 rad/s)
J2 14 °/s (0.24 rad/s)
J3 14 °/s (0.24 rad/s)
J4 18 °/s (0.31 rad/s)
J5 18 °/s (0.31 rad/s)
J6 40 °/s (0.7 rad/s)
Robot Motion Range:
J1 ±330°
J2 ±160°
J3 ±165°
J4 ±720°
J5 ±240°
J6 ±720°
Applications:
Material Handling Robots
Machine Loading Robots
Machine Tending Robots
Material Removal Robots


Fanuc America Robotics are one of the premiere global robot brands. They build absolutely fantastic products and are by far the number one selling robot brand in the United States. If you allow us to re-register your software with Fanuc you will get 24-7 technical support from their expert staff. We will register the robot in your companies name, so when you reach out to Fanuc for support and provide them with your robots F number they will know who you are, and the robot your calling about.
CALL AN R.A.B. INDUSTRIES, INC REPRESENATIVE (586)752-0090 FOR ALL YOUR ROBOTICS AND AUTOMATION NEEDS. RAB BUYS FANUC ROBOTS, KAWASAKI ROBOTS, ABB ROBOTS, MOTOMAN ROBOTS, KUKA ROBOTS, DENSO ROBOTS, UNIVERSAL ROBOTS AND ROBOT PARTS, ROBOT MRO, CONTROLLERS, CABLES, RVS, TEACH PENDANTS. WE ARE ROBOTIC AUTOMATION BULLS.
