
Capable of very high transfer speeds, this slimline model is a perfect match for highly productive compact cells. The Fanuc R-1000iA/80H is a 5 axis robot that depending on date of manufacture may run on the Fanuc R30iA or R30iB Controller. Boasting best cycle times, this slimline robot offers excellent acceleration.
Robot Specifications:
Axes: 5
Payload: 80kg
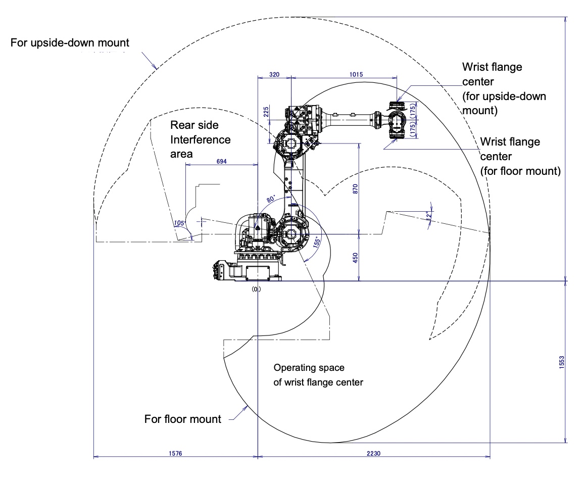
H-Reach: 2230mm
Repeatability: ±0.2mm
Robot Mass: 610kg
Structure: Articulated
Mounting: Floor, Inverted
Robot Motion Speed:
J1 185 °/s (3.23 rad/s)
J2 180 °/s (3.14 rad/s)
J3 180 °/s (3.14 rad/s)
J4 180 °/s (3.14 rad/s)
J5 500 °/s (8.73 rad/s)
Robot Motion Range:
J1 ±360°
J2 ±245°
J3 ±215°
J4 ±20°
J5 ±720°
Applications:
Spot Welding Robots
Material Handling Robots
Palletizing Robots
Arc Welding Robots

Fanuc America Robotics are one of the premiere global robot brands. They build absolutely fantastic products and are by far the number one selling robot brand in the United States. If you allow us to re-register your software with Fanuc you will get 24-7 technical support from their expert staff. We will register the robot in your companies name, so when you reach out to Fanuc for support and provide them with your robots F number they will know who you are, and the robot your calling about.
CALL AN R.A.B. INDUSTRIES, INC REPRESENATIVE (586)752-0090 FOR ALL YOUR ROBOTICS AND AUTOMATION NEEDS. RAB BUYS FANUC ROBOTS, KAWASAKI ROBOTS, ABB ROBOTS, MOTOMAN ROBOTS, KUKA ROBOTS, DENSO ROBOTS, UNIVERSAL ROBOTS AND ROBOT PARTS, ROBOT MRO, CONTROLLERS, CABLES, RVS, TEACH PENDANTS. WE ARE ROBOTIC AUTOMATION BULLS.
