
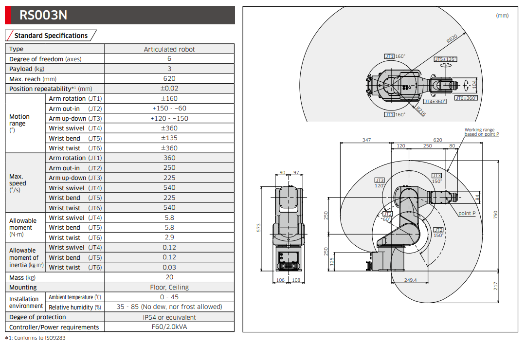
PAYLOAD 3 kg REACH 620 mm
High Speed, Low Payload, High Performance
Kawasaki's R series robots are setting the benchmark for all small to medium duty industrial robots. The compact design, along with industry leading speed, reach and work range make the R series robots ideal for a wide range of applications throughout a multitude of diverse industries.
The RS003N model is the smallest of the R series robots, making it ideal for small-scale material handling applications requiring low payloads. The R-series Kawasaki Robots are considered their general purpose robot line and have payloads
ranging from 3-80 kg capacity.
- Payload3 Kg
- Max. Reach620 mm
- Robot Category General Purpose Robots (3-80 kg payload)
- Mounting Ceiling, Floor
- Robot Series R series



CALL AN R.A.B. INDUSTRIES, INC REPRESENATIVE (586)752-0090 FOR ALL YOUR ROBOTICS AND AUTOMATION NEEDS. RAB BUYS FANUC ROBOTS, KAWASAKI ROBOTS, ABB ROBOTS, MOTOMAN ROBOTS, KUKA ROBOTS, DENSO ROBOTS, UNIVERSAL ROBOTS AND ROBOT PARTS, ROBOT MRO, CONTROLLERS, CABLES, RVS, TEACH PENDANTS. WE ARE ROBOTIC AUTOMATION BULLS.
