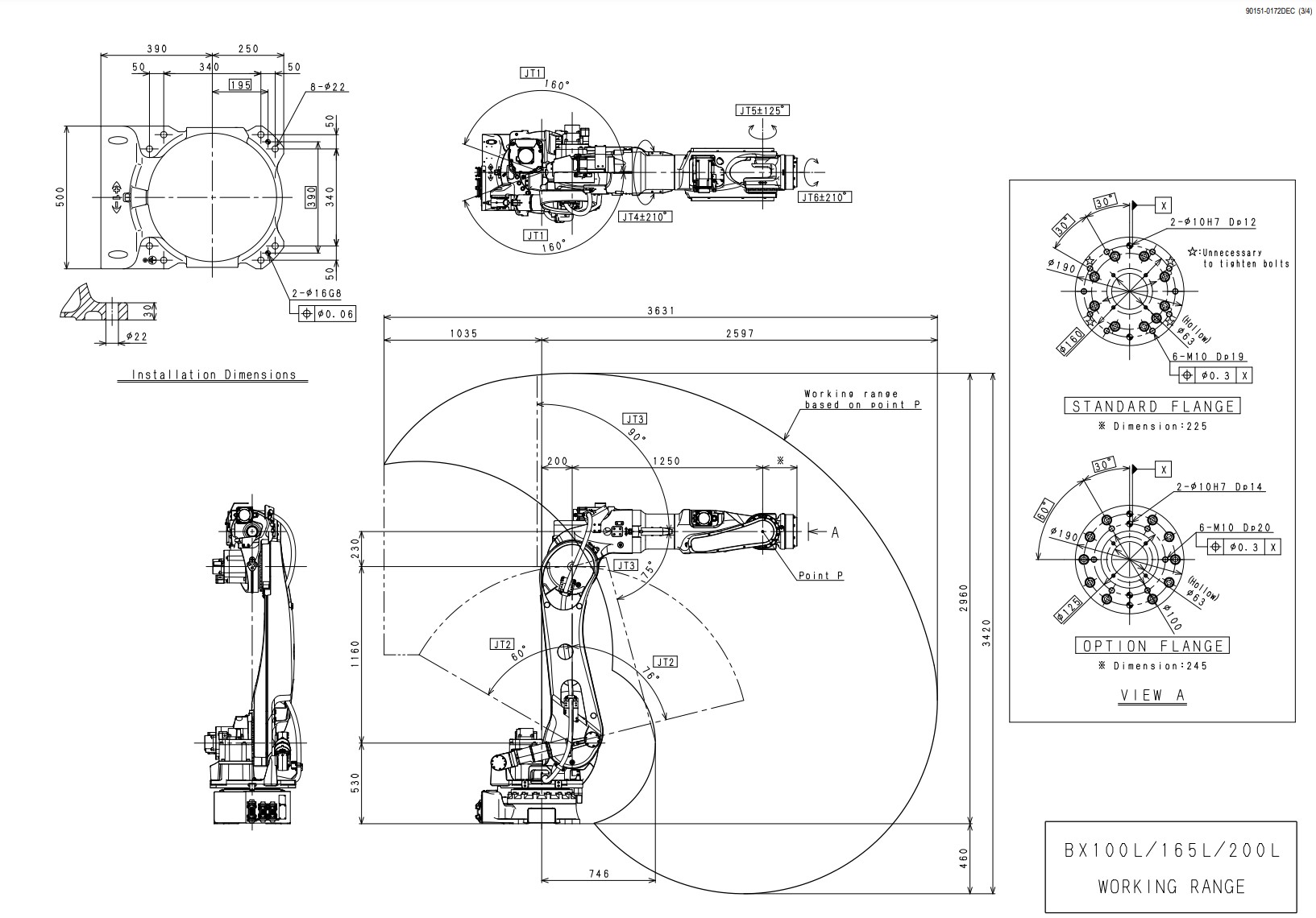
THE KAWASAKI BX200L OFFERS A HEFTY PAYLOAD OF 200 KG AND 2,597 MM REACH MAKING IT IDEAL FOR A VARIETY OF
APPLICATIONS. WHAT MAKES KAWASAKI UNIQUE IN THE ROBOT INDUSTRY IS THEIR HONEST PAYLOAD RATING.
THE PAYLOAD ON ALL KAWASAKI ROBOTS IS RATED OFFSET DOWN AND RIGHT FROM THE WRIST. MEANING THAT YOU
CAN BE ASSURED THAT THE BX200L IS A TRUE 200 KG ROBOT.



R.A.B. INDUSTRIES IS HAPPY TO BE A NEW KAWASKI ROBOT DEALER. KAWASAKI ROBOTICS, USA
IS AN OUTSTANDING GLOBAL SUPPLIER OF HIGH QUALITY INNOVATIVE INDUSTRY LEADING INDUSTRIAL ROBOTS.
AS SUCH WE ALSO STOCK USED KAWASAKI ROBOTS TO SERVE BOTH MARKETS NEW AND USED.
WE CAN NOT ONLY SUPPLY YOU WITH A NEW ROBOT BUT ALSO PURCHASE YOUR USED ROBOT REGARDLESS
OF THE MAKE OF THE ROBOT YOUR PLANNING TO REPLACE. PLEASE CALL AN RAB INDUSTRIES REPRESENATIVE.
YOUR WELCOME TO COME TO OUR FACILITY TO COME SEE A NEW KAWASAKI ROBOT UNDER POWER FOR DEMO.
CALL AN R.A.B. INDUSTRIES, INC REPRESENATIVE (586)752-0090 FOR ALL YOUR ROBOTICS AND AUTOMATION NEEDS. RAB BUYS FANUC ROBOTS, KAWASAKI ROBOTS, ABB ROBOTS, MOTOMAN ROBOTS, KUKA ROBOTS, DENSO ROBOTS, UNIVERSAL ROBOTS AND ROBOT PARTS, ROBOT MRO, CONTROLLERS, CABLES, RVS, TEACH PENDANTS. WE ARE ROBOTIC AUTOMATION BULLS.
